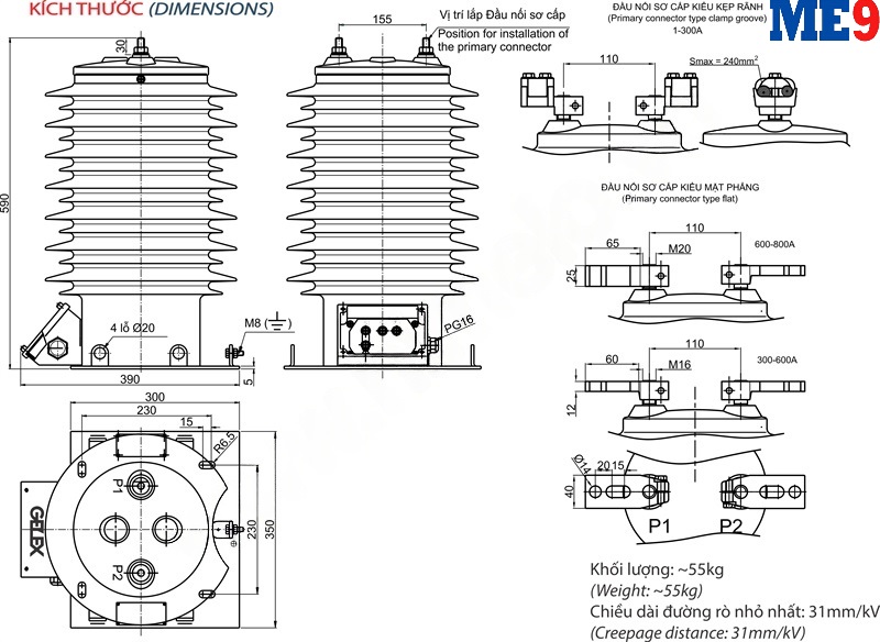
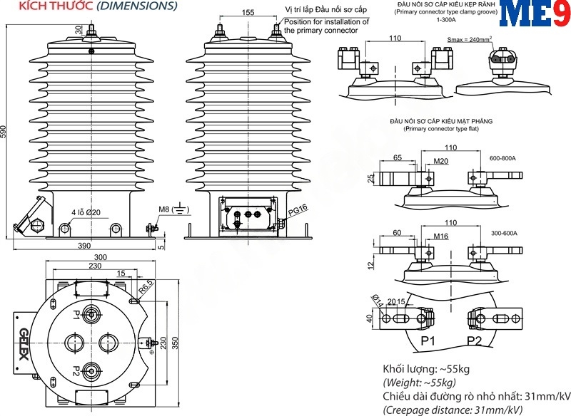
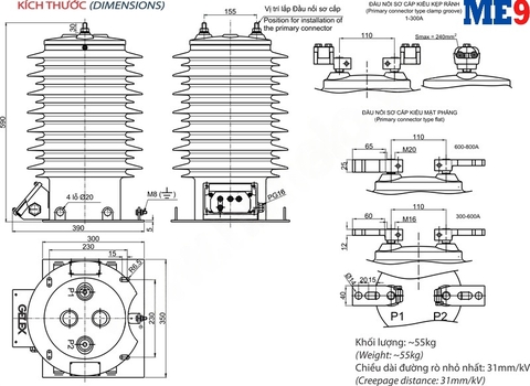
Biến dòng 35kV ngoài trời 1 cuộn thứ cấp Emic hay gọi đầy đủ là máy biến dòng đo lường trung thế 35kV 1 pha ngoài trời kiểu đúc epoxy - là thiết bị dùng để biến đổi dòng điện từ cao xuống thấp tại 2 mức dòng 1A hoặc 5A tiêu chuẩn ở lưới điện trung thế đến 35kV. Dòng 1A hoặc 5A phía đầu ra thứ cấp của biến dòng sẽ đùng dùng đưa tới các đồng hồ hoặc công tơ để đo đếm hiển thị các thông số theo yêu cầu.

